品牌
类别
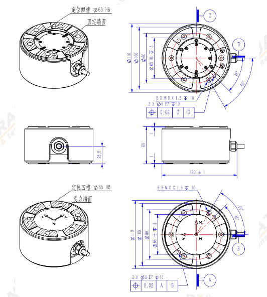
HUATRAN
量程:Fxyz=1KN-25KN/Mxyz=100Nm-750Nm
线性误差:0.2%F.S
重复性:0.1 %F
技术参数:
1.量程1:Fxy=1KN,Fz=2.5KN
Mxyz=100Nm
量程2:Fxy=4KN,Fz=10KN
Mxyz=250Nm
量程3:Fxy=8KN,Fz=20KN
Mxyz=500Nm
量程4:Fxy=10KN,Fz=25KN
Mxyz=750Nm
2 .线性误差:0.2%F.S
3.重复性:0.1 %F.S
3.串扰:2%F.S
4.输入阻抗:350±10Ω
5.输出阻抗:350±10Ω
6.工作温度:-1085°C
7.安全过载:200%F.S
8.电缆:航插出线
9.材质:铝合金/不锈钢