深圳耐特恩科技有限公司

  • 首页
  • 产品中心
  • 行业应用
  • 品牌中心
  • 关于我们
  • 联系我们
  • 新闻资讯
  • 首页
  • 产品中心
    • 热销产品
    • 多分量传感器
    • 力传感器
    • 扭矩传感器
    • 位移传感器
    • 加速度传感器
    • 仪器仪表
    • 测力平台
    • 专用传感器
    • 其他传感器
  • 行业应用
    • 航空航天行业
    • 船舶&近海工程
    • 自动化
    • 光伏行业
    • 汽车行业
    • 医疗&健康行业
    • 精密机床
    • 其他
  • 品牌中心
    • HUATRAN
    • 德国ME
    • 美国Interface
    • 英国AML
    • 白俄罗斯TT
    • DynaLabs
    • 更多品牌
  • 关于我们
  • 联系我们
  • 新闻资讯
    • 公司新闻
    • 传感知识
    • 行业快讯
    • 网站更新日志
您当前位置:首页品牌中心英国AML力传感器销轴力传感器
产品中心
  • HUATRAN
    • 多分量传感器
    • 力传感器
    • 扭矩传感器
    • 位移传感器
    • 加速度传感器
    • 压力传感器
    • 压电式力传感器
    • 放大器&仪表
    • 张力传感器
  • 德国ME
    • 多分量传感器
    • 力传感器
    • 扭矩传感器
    • 仪器仪表
  • 美国Interface
    • 多分量传感器
    • 力传感器
    • 扭矩传感器
    • 仪器仪表
  • 英国AML
    • 多分量传感器
    • 力传感器
    • 位移传感器
    • 仪器仪表
    • 压力传感器
    • 扭矩传感器
  • 白俄罗斯TT
    • 遥测系统
    • 拉扭复合传感器
    • 扭矩传感器
  • DynaLabs
    • 激振器
    • 多轴加速度传感器
    • 单轴加速度传感器
  • 更多品牌
    • NCTE
    • GP:50
    • MMF
    • lorenz
    • WAYCON
    • STI
    • KAMAN
    • J-TEC
    • ATI
    • Vishay
    • ETH
    • KA

品牌

  • HUATRAN
  • 德国ME
  • 美国Interface
  • 英国AML
  • 白俄罗斯TT
  • DynaLabs
  • 更多品牌

类别

  • 拉扭复合
  • 拉力计
  • 踏板力
  • 拉杆式力传感器
  • 销轴力传感器
  • 剪切式力传感器
  • 轮辐式力传感器
  • 中空垫圈
  • 拉压双向
  • 柱式单压力传感器
  • S型力传感器
  • 柱式力传感器
产品详情
DBEP

AML

量程:0-1500T

精度:<0.5-2%FS


  • 技术参数
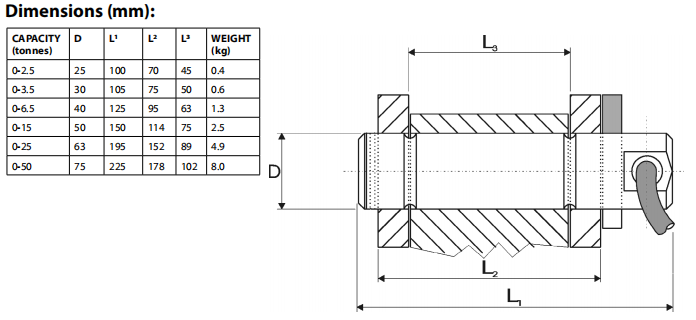
  • 尺寸图
  • 相关下载

DBEP

DBEP

  • 产品中心
    • 热销产品
    • 多分量传感器
    • 力传感器
    • 扭矩传感器
    • 位移传感器
    • 加速度传感器
    • 仪器仪表
    • 测力平台
    • 专用传感器
    • 其他传感器
  • 行业应用
    • 航空航天行业
    • 船舶&近海工程
    • 自动化
    • 光伏行业
    • 汽车行业
    • 医疗&健康行业
    • 精密机床
    • 其他
  • 品牌中心
    • HUATRAN
    • 德国ME
    • 美国Interface
    • 英国AML
    • 白俄罗斯TT
    • DynaLabs
    • 更多品牌
  • 关于我们
    • 公司简介
    • 荣誉客户
  • 新闻资讯
    • 公司新闻
    • 传感知识
    • 行业快讯
    • 网站更新日志

0755-82908211

info@sensorstech.com

0755-82908211

深圳市宝安区西乡街道南昌社区新零售数字化产业园B栋707

Copyright © 2022 深圳耐特恩科技有限公司 All Rights Reserved 

网站地图

粤ICP备09181574号