0755-82908211 info@sensorstech.com 耐特恩网站
Products 产品详情
6KA80 系列六分量传器

6KA80 系列六分量传器

上市日期: 2025-12-31

HUATRAN

量程范围:Fxyz =1KN-15kN,Mxyz =50Nm-250Nm

精度范围:≤0.3%F.S

六轴力传感器适用于可在三个相互垂直的轴向进行力和扭矩测量 ,具有大扭矩测量范围与小外径的双重优势

适用于空航天 ,机器人领域(如碰撞检测.机器末端控制),磨床切削力 ,运动力学等场景测量控制

  • 技术参数
  • 尺寸图
  • 相关下载


6KA80 系列六分量传器


   


   

参 数 指 标

量程

Fx/Fy:1kN-5kN,Fz:2.5kN-15kN,Mx/My: 50Nm-250Nm,Mz:50Nm-250Nm

额定力 Fx

±1kN,±2kN,±5kN

额定力 Fy

±1kN,±2kN,±5kN

额定力 Fz

±2.5kN,±5kN,±15kN

额定力 Mx

±50Nm, ±100Nm,±250Nm

额定力 My

±50Nm, ±100Nm,±250Nm

额定力 Mz

±50Nm, ±100Nm,±250Nm

灵敏度

0.8~1.5mV/V

零点输出

≤3%F.S

安全过载

200%F.S

极限过载

400%F.S

外壳材质

铝合金/合金钢

      

参数指标

线性度

0.3%F.S

重复性

0.1%F.S

串扰

2.5%F.S

电气参数

参数指标

激励电压

5~10VDC

输入阻抗

350±30Ω

输出阻抗

350±30Ω

接口方式

参数指标

输出接口

航插接口(默认)

线缆长度

3m(默认)

温度环境

参数指标

工作温度

-20 ~60 ℃

存储温度

-20 ~ 85 ℃

防护等级

IP65

其他

参数指标

尺寸

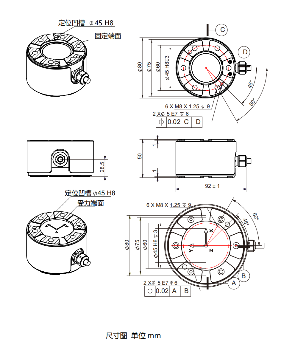
Φ80 * H50mm ,具体见尺寸图


6KA80 系列六分量传器

0755-82908211 info@sensorstech.com 耐特恩公众号
友情链接:    必优  |  必优网  |  华创测试  |  多分量传感器  |  力传感器  |  压力传感器  |  扭矩传感器
Copyright © 2022 深圳耐特恩科技有限公司



 

 

犀牛云提供云计算服务
ignore
5
电话
    ignore
6
二维码
    ignore
分享